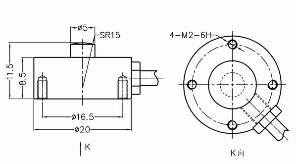
鋼絲測力儀3000kg的標準外形尺寸
鋼絲測力儀3000kg的標準外形尺寸
鋼絲測力儀3000kg使用高速、高精度的24位專用A/D轉換器采集型號,使用高速單片機對信號進行運算處理,小巧的鋁合金外殼,能有效的防止撞擊和外界干擾。
鋼絲測力儀3000kg的顯示器配有RS-232通訊接口;具有捕捉瞬間的大值,設定上下限報警等功能,并且可以和各種量程的拉力傳感器配套,用戶可根據需要靈活選擇,另外,產品內置鎳氫可充電池,可以用于無外接電源場合,它是各種測力實驗理想的儀器。
鋼絲測力儀3000kg的標準外形尺寸(mm):
技術參數:
|
額定載荷 Rated capacities(Emax)
|
5,10,20,30,50,100,200,300,500kg
|
|
靈敏度 Sensitivity
|
1.0mV/V±0.5%
|
|
綜合誤差 Total error
|
±0.5%F.S
|
|
蠕變(30分鐘)Creep(30min)
|
±0.1%F.S
|
|
零點平衡 Zero balance
|
±1%F.S
|
|
零點溫度影響 TCO
|
±0.03%F.S/10℃
|
|
輸出溫度影響 TC SPAN
|
±0.03%F.S/10℃
|
|
輸入阻抗 Input resistance
|
350±50Ω
|
|
輸出阻抗 Output resistance
|
353±3Ω
|
|
絕緣電阻 Insulation resistance
|
≥5000MΩ
|
|
溫度補償范圍 Temperature range,compensated
|
-10~+40℃
|
|
工作溫度范圍 Temperature range,operating
|
-30~+70 ℃
|
|
安全過載 Maximum safe overload
|
120 %F.S
|
|
極限過載 Ultimate overload
|
150 %F.S
|
|
推薦激勵電壓 Excitation,recommend
|
5-10V DC
|
|
大激勵電壓 Excitation,maximum
|
10 V DC
|
|
防封等級 Protection Class
|
IP67
|
|
材質 Construction
|
不銹鋼Stainless Steel
|
|
電纜 Cable
|
Length:1.5m Diameter:φ3
|

